Produkte
Info
0
Warenkorb
Mein Konto

Gleichstromaggregat, einfachwirkend

Gleichstromaggregat, einfachwirkend, 800 W
Gleichstromaggregat, einfachwirkend, 1800 W
Gleichstromaggregat, einfachwirkend, 1800 W
Gleichstromaggregat, einfachwirkend, 1800 W
Hand-Bedienelement
Hand-Bedienelement
Wandhalter für Hand-Bedienelement
Funkfernbedienung
Funkfernbedienung
Batteriekabel
  • Pfeil links
  • Pfeil rechts
Gleichstromaggregat, einfachwirkend
Gleichstromaggregat, einfachwirkend

Gleichstromaggregat, einfachwirkend, 800 W

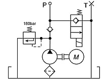
Ausstattung:

- Kunststofftank, transparent, Einfüll- und Belüftungsfilter
- Gleichstrommotor mit SmartStart-Relais
- Druckbegrenzungsventil 180 bar, Rückschlagventil
- 2/2-Wege-Magnetventil zum Senken der Last
- Anschluss P = G3/8 Innengewinde
- Zul. Einschaltdauer ca. 10% ED

Anwendung:

Zum kurzzeitigen Betreiben von einfachwirkenden Zylindern, wie z. B. kleine Kipperfahrzeuge, Ladebordwände, Hubarbeitsbühnen, Achsabsenkung
Seitenansicht links Gleichstromaggregat, einfachwirkend, 800 W
vergrößern Seitenansicht links Gleichstromaggregat, einfachwirkend, 800 W
Isometrische Seitenansicht rechts Gleichstromaggregat, einfachwirkend, 800 W
vergrößern Isometrische Seitenansicht rechts Gleichstromaggregat, einfachwirkend, 800 W
Seitenansicht rechts Gleichstromaggregat, einfachwirkend, 800 W
vergrößern Seitenansicht rechts Gleichstromaggregat, einfachwirkend, 800 W
Draufsicht Gleichstromaggregat, einfachwirkend, 800 W
vergrößern Draufsicht Gleichstromaggregat, einfachwirkend, 800 W
Detailansicht Gleichstromaggregat, einfachwirkend, 800 W
vergrößern Detailansicht Gleichstromaggregat, einfachwirkend, 800 W
Schaltsymbol
vergrößern Schaltsymbol
Datenblatt Gleichstromaggregat einfachwirkend
Datenblatt Gleichstromaggregat einfachwirkend
Menge
Tank
Filter
Motor
Filter
Förderstrom
0 bar
Filter
Förderstrom
180 bar
Filter
Stromaufnahme
0 bar
Filter
Stromaufnahme
180 bar
Filter
Artikel-Nr.
Preis
 
1,6 l12 V DC/ 800 W4 l/min2 l/min50 A170 AGS01,6A0800Z0,8VA01538,00 €Mehr Informationen
1,6 l24 V DC/ 800 W4 l/min2 l/min25 A85 AGS01,6B0800Z0,8VB01639,00 €Mehr Informationen
Bitte warten... OK
Gleichstromaggregat, einfachwirkend mit 8,8 l-Tank
Gleichstromaggregat, einfachwirkend mit 8,8 l-Tank

Gleichstromaggregat, einfachwirkend, 1800 W

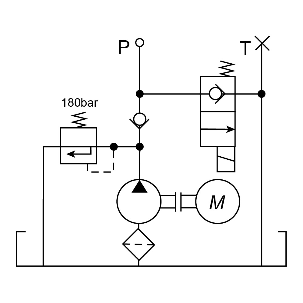
Ausstattung:

- Kunststofftank, transparent, Einfüll- und Belüftungsfilter
- Gleichstrommotor mit SmartStart-Relais
- Druckbegrenzungsventil 180 bar, Rückschlagventil
- 2/2-Wege-Magnetventil zum Senken der Last
- Anschluss P = G3/8 Innengewinde
- Zul. Einschaltdauer ca. 10% ED

Anwendung:

Zum kurzzeitigen Betreiben von einfachwirkenden Zylindern, wie z. B. kleine Kipperfahrzeuge, Ladebordwände, Hubarbeitsbühnen, Achsabsenkung
Seitenansicht links 8,8 l Gleichstromaggregat, einfachwirkend, 1800 W
vergrößern Seitenansicht links 8,8 l Gleichstromaggregat, einfachwirkend, 1800 W
Isometrische Seitenansicht rechts 8,8 l Gleichstromaggregat, einfachwirkend, 1800 W
vergrößern Isometrische Seitenansicht rechts 8,8 l Gleichstromaggregat, einfachwirkend, 1800 W
Seitenansicht rechts 8,8 l Gleichstromaggregat, einfachwirkend, 1800 W
vergrößern Seitenansicht rechts 8,8 l Gleichstromaggregat, einfachwirkend, 1800 W
Draufsicht 8,8 l Gleichstromaggregat, einfachwirkend, 1800 W
vergrößern Draufsicht 8,8 l Gleichstromaggregat, einfachwirkend, 1800 W
Detailansicht 8,8 l Gleichstromaggregat, einfachwirkend, 1800 W
vergrößern Detailansicht 8,8 l Gleichstromaggregat, einfachwirkend, 1800 W
Schaltsymbol
vergrößern Schaltsymbol
Datenblatt Gleichstromaggregat einfachwirkend
Datenblatt Gleichstromaggregat einfachwirkend
Menge
Tank
Filter
Motor
Filter
Förderstrom
0 bar
Filter
Förderstrom
180 bar
Filter
Stromaufnahme
0 bar
Filter
Stromaufnahme
180 bar
Filter
Länge l
Filter
Artikel-Nr.
Preis
 
3,8 l12 V DC/ 1800 W12 l/min4 l/min80 A300 A440GS03,8A1800Z3,1VA01482,50 €Mehr Informationen
3,8 l24 V DC/ 1800 W12 l/min4 l/min40 A150 A440GS03,8B1800Z3,1VB01539,00 €Mehr Informationen
6,6 l12 V DC/ 1800 W12 l/min4 l/min80 A300 A630GS06,6A1800Z3,1VA01502,00 €Mehr Informationen
6,6 l24 V DC/ 1800 W12 l/min4 l/min40 A150 A630GS06,6B1800Z3,1VB01550,00 €Mehr Informationen
8,8 l12 V DC/ 1800 W12 l/min4 l/min80 A300 A750GS08,8A1800Z3,1VA01519,00 €Mehr Informationen
8,8 l24 V DC/ 1800 W12 l/min4 l/min40 A150 A750GS08,8B1800Z3,1VB01562,30 €Mehr Informationen
Bitte warten... OK
Hand-Bedienelement
Hand-Bedienelement

Hand-Bedienelement

Ausstattung:

- 2-Taster (Heben/ Senken), Kabel 4 m
- für einfachwirkende Gleichstromaggregate mit SmartStart-Relais
- Kunststoffgehäuse, rückseitig mit Magneten
LOCK Hand-Bedienelement, abschließbar
vergrößern LOCK Hand-Bedienelement, abschließbar
Menge
Spannung
Filter
Extras
Filter
Artikel-Nr.
Preis
 
12 V DC-SPX-KG11A68,00 €Mehr Informationen
24 V DCinkl. Adapter SPX-3467-AASPX-KG11A2490,30 €Mehr Informationen
12 V DCabschließbarSPX-KG11A-LOCK112,00 €Mehr Informationen
12 V DC6m KabelSPX-KG11A-6m74,00 €
Bitte warten... OK
Wandhalter für Hand-Bedienelement
Wandhalter für Hand-Bedienelement

Wandhalter für Hand-Bedienelement

- passend für SPX-KG11
Menge
Artikel-Nr.
Preis
 
SPX-2817-AA13,21 €Mehr Informationen
Bitte warten... OK
Funkfernbedienung
Funkfernbedienung

Funkfernbedienung

- Handsender mit 2-Taster (Heben/ Senken) und Einschalter
- Empfänger für einfachwirkende Gleichstromaggregate mit SmartStart-Relais
- für 12 V DC und 24 V DC
Sender für Funkfernbedienung
vergrößern Sender für Funkfernbedienung
Menge
Ausführung
Filter
Artikel-Nr.
Preis
 
Funkfernbedienung inkl. HandsenderSPX-EF-7600386,39 €Mehr Informationen
HandsenderSPX-EF-7602195,16 €Mehr Informationen
Bitte warten... OK
Batteriekabel
Batteriekabel

Batteriekabel

- 35mm² Querschnitt
- einerseits Rohrkabelschuh 8mm
- andererseits Batteriepolklemme
Menge
Farbe
Filter
Länge
Filter
Artikel-Nr.
Preis
 
rot (plus)500mmET-BK35-RT-050024,00 €
schwarz (minus)500mmET-BK35-SW-050024,00 €
rot (plus)1000mmET-BK35-RT-100027,75 €
schwarz(minus)1000mmET-BK35-SW-100027,75 €
Bitte warten... OK
© 1998 - 2026 Hytec-Hydraulik OHG. Alle Rechte vorbehalten. Alle Preise beinhalten, wenn nicht anders beschrieben, die gesetzliche MwSt. zzgl. Versandkosten.
Shop powered by Hyreka GmbH.
nach oben
Sandbox aktiv, PHP=34ms, PHP Info, Session anzeigen, Session-Cookie löschen, zur LIVE-Version