Produkte
Info
0
Warenkorb
Mein Konto

Kränzle K1151 T Ersatzteilliste Interaktiv

Komplettaggregat
Motor
Getriebe
Unloader
Ventilgehäuse
Schlauchtrommel
Lanzen
Schmutzkiller

Passende Ersatzteile

Hochdruckschlauch NW6, 15meter, schwarz
für Schlauchtrommel Shuttle
Hochdruckreiniger-Pistole M2000
Schmutzkiller mit 500mm-Lanze Düse=042
Farbcode=Gelb
Reparatursatz AZ-Pumpen
Hochdruckmanschetten
Teile in der Zeichnung mit Maus markieren und durch Klick in den Warenkorb legen.
Keine Artikelinformationen verfügbar!

Ersatzteilliste Komplettaggregat

Position Bezeichnung Menge Preis
2 Fahrgestell 1 66,40 €
3 Frontplatte,,K1151,, 1 26,43 €
03. Jan Frontplatte,,K1151T,, 1 29,10 €
4 Köcher groß 1 26,43 €
5 Köcher klein 1 26,43 €
6 Knickschutz 1 2,89 €
7 Rad 2 26,11 €
8 Radkappe 2 5,16 €
9 Kabelhalteplatte 1 4,45 €
10 Achse 2 26,11 €
11 Netzanschlusskabel 1 26,99 €
12 Chemikaliensaugschlauch mit Filter 1 7,20 €
13 Versteifungsplatte 1 5,45 €
15 Kunststoffsenkschraube 5,0 x 20 2 0,64 €
16 O-Ring 9,3 x 2,4 2 1,14 €
17 Kunststoffschraube 5,0 x 20 20 0,64 €
18 Auflagepuffer 2 2,75 €
19 Kunststoffschraube 5,0 x 30 2 0,96 €
20 Scheibe 40 x 6 x 1,5 (Stahl) 2 0,64 €
21 Unterlegscheibe 8,4 4 0,96 €
22 Innensechskantschraube M 8x 30 4 2,25 €
23 Kunststoffschraube 4,0 x 16 2 0,82 €
24 Kunststoffschraube 5,0 x 50 2 0,83 €
25 Kunststoffschraube 5,0 x 70 2 0,54 €
26 Kunststoffschraube 3,5 x 14 2 0,54 €
27 Anschlussleitung Schlauchtrommel 1 21,40 €
28 Midi-Pistole 1 82,92 €
29 Vario-Jet 045 kpl. mit Lanze 1 51,24 €
30 Schmutzkiller 1 69,00 €
31 Kabelklemme 1 0,95 €
32 Schraube 3.5 x 16 1 0,96 €
33 Griffabdeckung 1 18,70 €
34 Gummipuffer links+rechts 1 10,60 €
35 Rad kpl. (7, 8, 10, 15, 20) 2 26,11 €
Teile in der Zeichnung mit Maus markieren und durch Klick in den Warenkorb legen.
Keine Artikelinformationen verfügbar!

Ersatzteilliste Motor

Position Bezeichnung Menge Preis
1 Ölgehäuse mit Dichtung, Deckel Öldichtung, Schulterlager 1 92,99 €
2 Motorgehäuse mit Stator 1 215,99 €
3 Motorwelle mit Rotor 1 106,23 €
4 Passfeder 6 x 6 x 20 1 1,92 €
5 Motor-Lager B-Seite Z-Lager 1 14,60 €
6 Motor-Lager A-Seite Schulterl. 1 35,99 €
7 Schelle für Lüfterrad 1 3,25 €
8 Öldichtung 25 x 35 x 7 1 6,79 €
9 Lüfterrad 1 19,06 €
10 Lüfterhaube 1 31,40 €
11 Flachdichtung 1 5,99 €
12 Lüsterklemme 3-pol. 1 3,08 €
13 Schaltkasten 1 23,76 €
14 Schalter mit 12 A-Überstromauslöser 1 29,80 €
15 Klemmrahmen mit Schalterabdichtung 1 4,06 €
16 Kabelverschraubung PG 11 2 9,09 €
17 Gegenmutter PG 11 2 1,00 €
18 Kondensator 40µF 1 36,79 €
19 Netzkabel für 230V / 50/60Hz 1 26,99 €
20 Blechschraube 3,5 x 9,5 2 0,64 €
21 Blechschraube 2,9 x 16 1 0,64 €
22 Innensechskantschr. M 5 x 12 4 0,80 €
23 Innensechskantschr. M 5 x 30 4 2,89 €
24 Erdungsschraube kpl. 1 1,29 €
25 Deckel für Schaltkasten 1 11,98 €
26 Dichtung für Deckel 1 7,10 €
27 Kunststoffschraube 5,0 x 20 4 0,64 €
28 Blechschraube 3,9 x 9,5 3 0,64 €
29 Toleranzhülse 1 8,40 €
40 Motor 230V / 50 Hz komplett mit Ölgehäuse und Lüfterrad, ohne Elektrik 1 508,37 €
41 Schaltkasten komplett 1 111,05 €
Teile in der Zeichnung mit Maus markieren und durch Klick in den Warenkorb legen.
Keine Artikelinformationen verfügbar!

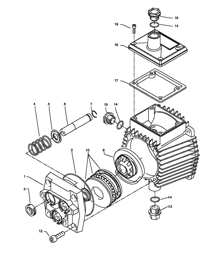
Ersatzteilliste Getriebe

Position Bezeichnung Menge Preis
1 Gehäuseplatte 1 83,15 €
2 Öldichtung 14 x 24 x 7 3 6,15 €
3 O-Ring 83 x 2 1 2,50 €
4 Plungerfeder 3 4,45 €
5 Federdruckscheibe 14 mm 3 1,49 €
6 Plunger 14 mm 3 23,99 €
7 Sprengring 14 mm 3 0,96 €
8 Taumelscheibe 9,25° 1 38,99 €
10 Axial-Rillenkugellager 3-teilig 1 49,25 €
12 Innensechskantschraube M8 x 25 4 1,30 €
13 Verschlussschraube M 18 x 1,5 1 4,07 €
14 O-Ring 12 x 2 3 0,74 €
15 Ölschauglas 1 5,15 €
16 Ölverschlussschraube rot 1 5,99 €
17 Dichtung Öldeckel 1 4,07 €
18 Deckel Ölgehäuse 1 10,27 €
19 Innensechskantschraube M 5 x 12 4 0,54 €
Teile in der Zeichnung mit Maus markieren und durch Klick in den Warenkorb legen.
Keine Artikelinformationen verfügbar!

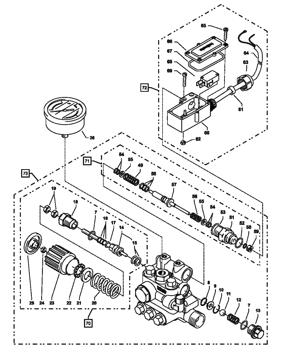
Ersatzteilliste Unloader und Druckschalter

Position Bezeichnung Menge Preis
7 O-Ring 12 x 2 2 0,74 €
8 O-Ring 11 x 1,5 1 2,00 €
9 Edelstahlsitz 1 3,19 €
10 Sicherungsring 1 0,95 €
11 Edelstahlkugel 8,5 mm 1 3,39 €
12 Edelstahlfeder 1 1,07 €
13 Verschlussschraube 1 3,19 €
14 Steuerkolben 6 mm für AZ mit Dichtungen 1 16,40 €
15 Parbaks für Kolben 14 mm 1 3,89 €
16 Parbaks für Spindel 6 mm 1 0,00 €
17 MS-Scheibe 1 1,45 €
18 Kolbenführung 6 mm 1 7,27 €
19 Mutter M 6 2 0,54 €
20 Feder schwarz für AZ-Pumpe 1 4,85 €
21 Federdruckscheibe 1 2,78 €
22 Kugellager 1 3,55 €
23 Handrad M 6 für AZ-Pumpe 1 5,45 €
24 Mutter M 6 mit SW 8 1 1,00 €
25 Kappe für Handrad AZ-Pumpe 1 1,39 €
26 Manometer 1 38,99 €
49 Druckfeder 1 x 8,6 x 30 1 3,43 €
50 O-Ring 3,3 x 2,4 1 2,77 €
51 Führungsteil Steuerstößel 1 13,48 €
52 O-Ring 13 x 2,6 1 0,64 €
53 O-Ring 14 x 2 1 0,64 €
54 Parbaks 4 mm 2 2,59 €
55 Stützscheibe 2 0,64 €
56 Edelstahlfeder 1 2,69 €
57 Steuerstößel lang 1 13,65 €
58 Parbaks 7 mm 1 4,27 €
59 Stopfen M10x1 (durchgebohrt) 1 3,20 €
60 Gehäuse Elektroschalter 1 6,55 €
61 Gummimanschette 1 1,39 €
62 Sechskant-Mutter M 4 2 0,54 €
63 Überwurfmutter PG 11 1 0,54 €
64 Kabel 2 x 1,5 mm² 1 5,97 €
65 Blechschraube 2,8 x 16 6 0,54 €
66 Deckel Elektroschalter 1 4,71 €
67 O-Ring 44 x 2,5 1 3,15 €
68 Mikroschalter 1 7,90 €
69 Zylinderschraube M 4 x 22 2 0,54 €
70 Steuerkolben kpl. m. Handrad 1 44,85 €
71 Rep.-Satz Druckschaltermechanik 1 32,99 €
72 Druckschalter kpl. ohne Mechanik 1 25,50 €
73 Ventilgehäuse kpl. für K1151 1 296,95 €
73.1 Ventilgehäuse kpl. für K1151 T 1 312,80 €
Teile in der Zeichnung mit Maus markieren und durch Klick in den Warenkorb legen.
Keine Artikelinformationen verfügbar!

Ersatzteilliste Ventilgehäuse

Position Bezeichnung Menge Preis
1 Ventilgehäuse 1 125,59 €
2 Ventilstopfen 5 4,07 €
3 Ventilstopfen mit R1/4 IG " 1 4,89 €
4 Ventile (rot) 6 4,49 €
5 Dichtstopfen M 8 x 1 3 2,36 €
6 Dichtstopfen M 10 x 1 1 2,25 €
7 O-Ring 12 x 2 12 0,74 €
8 O-Ring 11 x 1,5 1 2,00 €
9 Edelstahlsitz 1 3,19 €
10 Sicherungsring 1 0,95 €
11 Edelstahlkugel 10,0 mm 1 2,30 €
26 Manometer 1 38,99 €
27 Stützring 3 0,85 €
28 Gewebemanschette 14x24x5 3 5,75 €
29 Backring 14 x 24 3 2,65 €
30 O-Ring 26 x 2 3 1,07 €
31 Leckagering 3 3,18 €
32 Manschette 14 x 20 x 4/2 3 3,90 €
33 Zwischenring mit Abstützung 3 2,65 €
34 Rückschlagfeder 1 1,29 €
35 Ausgangsst. Inj. ST30 M22x1,5 (incl. 2x37, 2x38, 39, 40, 41, 52) 1 28,75 €
35.1 Verschlussstopfen für Kugelrücks.v. (K1151 T) 1 9,49 €
36 Verschlusstopfen 1/4 (K1151)" 1 3,70 €
36.1 Ermetowinkel R1/4x8 (K1151 T)" 1 8,65 €
37 Verschlussschraube M10x1 1 1,50 €
38 O-Ring 6x1,5 2 0,64 €
39 Saugzapfen Schlauchanschluss 1 7,99 €
40 Edelstahlkugel 5,5 mm 1 1,19 €
41 Edelstahlfeder 1 1,06 €
42 Innensechskantschr. M 8 x 25 2 1,30 €
43 Innensechskantschr. M 8 x 40 2 1,82 €
44 Dichtring Kupfer 1 0,64 €
45 Sauganschluss 1 8,45 €
46 Wasserfilter 1 1,81 €
48 Gummi Dichtring 1 2,29 €
49 Steckkupplung 1 3,05 €
50 O-Ring 1 0,64 €
51 Alu-Dichtring 1 0,41 €
52 O-Ring 18 x 2 1 1,02 €
60 Reparatur-Satz Ventile 1 29,10 €
61 Reparatur-Satz Manschetten 1 42,10 €
Teile in der Zeichnung mit Maus markieren und durch Klick in den Warenkorb legen.
Keine Artikelinformationen verfügbar!

Ersatzteilliste Schlauchtrommel

Position Bezeichnung Menge Preis
1 Schale groß 1 23,99 €
2 Schale klein 1 20,11 €
3 Knickschutz 1 12,50 €
4 Antriebswelle 1 11,99 €
5 Kurbel 1 17,85 €
6 Lagerklotz links 1 3,96 €
7 Lagerklotz rechts 1 3,94 €
8 Drehgelenk 1 22,60 €
9 Achse mit Wasserführung 1 22,30 €
10 Eingangsinjektror 1 20,11 €
11 HD-Schlauch NW 6 15 m 1 80,40 €
12 Schraube M 6 x 16 1 1,07 €
13 Schraube M 5 x 10 1 0,64 €
14 Anschlussrohr Ermeto Edelstahl 1 21,40 €
15 Parbaks 16 mm 2 3,90 €
16 O-Ring 10 x 2 1 0,96 €
17 Sicherungsring 16 mm 1 0,95 €
18 Scheibe MS 16 x 24 x 2 1 3,80 €
19 O-Ring 6,68 x 1,78 1 1,39 €
20 Mutter M18 x 1 1 2,65 €
21 Kunststoffschraube 5,0 x 20 4 0,64 €
22 Zahnscheibe 6,4 1 0,43 €
23 Scheibe DIN9021 6,4 1 0,64 €
25 Saugzapfen Schlauchanschluss 1 7,99 €
26 Edelstahlkugel 5,5 mm 1 1,19 €
27 Edelstahlfeder 1 1,06 €
28 Chemikaliensaugschlauch mit Filter 1 7,20 €
29 O-Ring 6 x 0,8 2 0,62 €
Teile in der Zeichnung mit Maus markieren und durch Klick in den Warenkorb legen.
Keine Artikelinformationen verfügbar!

Ersatzteilliste Pistole und Lanzen

Position Bezeichnung Menge Preis
5 Rohranschlußteil R1/4 incl. Pos. 3, 4, 21 " 1 11,34 €
6 Scheibe 5,3 DIN9021 1 0,54 €
7 Abzug-Hebel kpl. 1 13,21 €
15 Rohr kunststoffumspritzt bds. R 1/4 AG " 1 19,15 €
16 Überwurfmutter ST 30 M22 x 1,5 IG 1 4,70 €
17 Außen-Sechskant-Nippel R 1/4 IG" 1 2,19 €
18 O-Ring 9,3 x 2,4 1 1,14 €
19 ST 30-Nippel M 22 x 1,5 1 4,50 €
20 Rohr 400 lang, bds. M12 x 1 1 14,99 €
21 Aluminium Dichtring 6 0,32 €
30 Klemmstück 1 5,77 €
31 Halterung für Klemmstück 1 4,91 €
32 Kunstoffhülle 1 8,99 €
33 Vario-Jet 045 1 38,62 €
68 Rep.-Kit (Pos: 3, 4, 5, 8, 9,10, 12, 15, 21) 1 29,86 €
70 Midi-Pistole kpl. 1 82,92 €
71 Lanze kpl. mit Vario-Jet 1 51,24 €
Teile in der Zeichnung mit Maus markieren und durch Klick in den Warenkorb legen.
Keine Artikelinformationen verfügbar!

Ersatzteilliste Schmutzkiller

Position Bezeichnung Menge Preis
1 Spühkörper 1 52,96 €
2 O-Ring 6,88 x 1,68 1 1,39 €
3 Düsensitz 1 11,75 €
4 Düse 045 1 34,20 €
5 Stabilisator 1 1,50 €
6 O-Ring 1 1,40 €
7 Sprühstopfen 1 12,41 €
8 Rohr 400 mm 2x M 12 x 1 1 18,29 €
9 ST 30-Nippel M 22 x 1,5 1 4,50 €
10 Rep.Satz Schmutzkiller 045 1 45,99 €
11 Kappe vorn für Schmutzkiller 1 8,02 €
12 Kappe hinten für Schmutzkiller 045 1 4,50 €
100 Schmutzkiller 045 kpl. Mit Lanze 1 92,21 €
© 1998 - 2026 Hytec-Hydraulik OHG. Alle Rechte vorbehalten. Alle Preise beinhalten, wenn nicht anders beschrieben, die gesetzliche MwSt. zzgl. Versandkosten.
Shop powered by Hyreka GmbH.
nach oben
Sandbox aktiv, PHP=26ms, PHP Info, Session anzeigen, Session-Cookie löschen, zur LIVE-Version