Produkte
Info
0
Warenkorb
Mein Konto

Kränzle K1154 TS T Ersatzteilliste Interaktiv

Komplettaggregat
Motor
Getriebe
Unloader
Ventilgehäuse
Schlauchtrommel
Lanzen
Schmutzkiller

Passende Ersatzteile

Hochdruckschlauch NW6, 15meter
für Schlauchtrommel, schwarz
Hochdruckreiniger-Pistole M2000
Schmutzkiller mit 500mm-Lanze Düse=042
Farbcode=Gelb
Reparatursatz Druckschaltermechanik
Reparatursatz
Teile in der Zeichnung mit Maus markieren und durch Klick in den Warenkorb legen.
Keine Artikelinformationen verfügbar!

Ersatzteilliste Komplettaggregat

Position Bezeichnung Menge Preis
1 Fahrgestell kpl. 1 121,67 €
2 Griff 1 2,26 €
3 Frontplatte "K 1154 TST" 1 58,16 €
6 Kabeltrompete 1 3,49 €
7 Rad 2 26,11 €
8 Radkappe 2 5,99 €
9 Scheibe 40 x 6 x 1,5 (Stahl) 2 0,64 €
10 Kunststoffsenkschraube 5,0 x 20 2 0,64 €
11 Achshalter 2 26,11 €
12 Kunststoffschraube 5,0 x 40 2 1,05 €
13 Standfuss 1 5,31 €
14 Schraube 5,0 x 30 4 0,96 €
15 Kabelaufwicklung K1154 1 2,32 €
16 Schraube 5,0 x 20 17 0,64 €
17 Standfuß links/rechts 1 3,43 €
18 Kunststoffschraube 6,0 x 40 4 0,96 €
19 Kabelklemme 1 0,95 €
20 Schraube 3.5 x 14 2 0,54 €
28 O-Ring 9,3 x 2,4 2 1,14 €
29 HD-Schlauch NW6 15 m 1 135,23 €
30 Pistole Starlet 4 1 80,99 €
31 Lanze mit Flachstrahldüse M20042 1 35,95 €
32 Lanze mit Schmutzkiller 042 1 74,08 €
Teile in der Zeichnung mit Maus markieren und durch Klick in den Warenkorb legen.
Keine Artikelinformationen verfügbar!

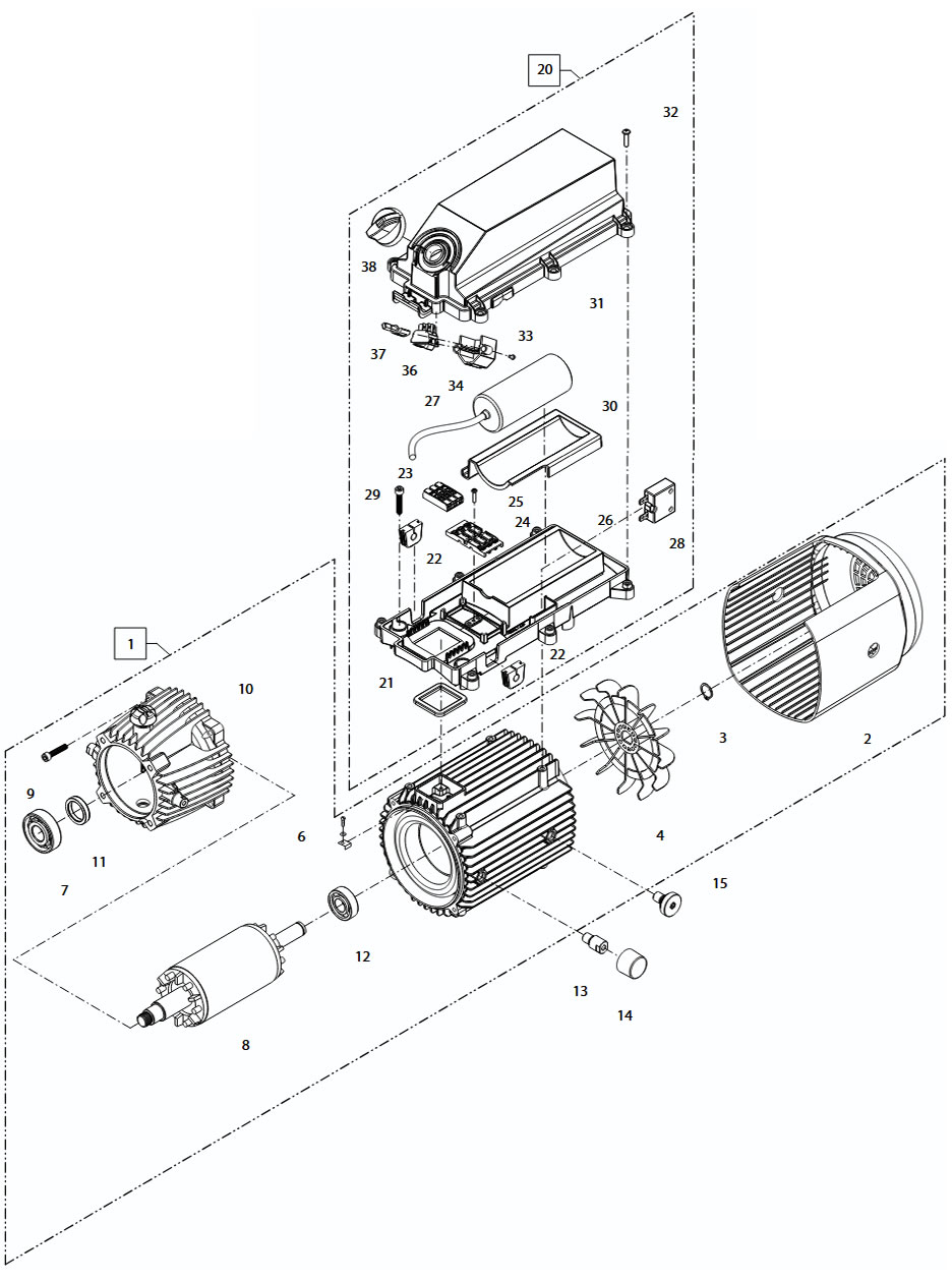
Ersatzteilliste Motor

Position Bezeichnung Menge Preis
1 Motor 230V / 50 Hz kpl. ohne Elektrik 1 347,16 €
2 Haube Luftführung 1 7,70 €
3 Wellensicherungsring 17 x 1 1 1,50 €
4 Lüfterrad 1 5,20 €
6 Erdungsschraube kpl. 1 1,29 €
7 Motor-Lager A-Seite 7304 1 29,15 €
8 Rotor 230V 50Hz 1 38,94 €
9 Innensechskantschraube M6 x 35 4 1,39 €
10 Ölgehäuse kpl. 1 99,28 €
11 Öldichtung Ø25 x Ø35 x7 1 6,79 €
12 Motor-Lager B-Seite 6203 1 15,52 €
13 Bolzen Aufängung 2 6,63 €
14 Gummilagerung Motor 2 3,75 €
15 Lagerbolzen Motor 2 5,87 €
20 Schaltkasten kpl. K1154 1 110,85 €
21 Gummidichtung 1 0,54 €
22 Durchführungstülle 2 0,23 €
23 Durchgangsverbinder 1-Fach 3 0,90 €
24 Klemmenhalter 1 1,39 €
25 Blechschraube 3,5 x 9,5 1 0,64 €
26 Schaltkasten Unterteil 1 25,38 €
27 Kondensator 50 uF 1 39,15 €
28 Überstromauslöser 1-polig 16 A 1 4,07 €
29 Innensechskantschraube M6 x 16 4 0,64 €
30 Aufnahmeschale Kondensator 1 3,74 €
31 Schaltkastendeckel 1 37,91 €
32 Kunstoffschraube 5,0 x 20 6 0,64 €
33 Kunststoffschraube 3,5 x 14 2 0,54 €
34 Halter für Wippschalter 1 2,98 €
36 Ein- / Ausschalter 1 5,89 €
37 Schaltnocken 1 2,86 €
38 Drehknopf Ein-/ Ausschalter 1 3,09 €
45 Netzanschlusskabel für 3x 1,5 mm² (EU) 1 26,99 €
Teile in der Zeichnung mit Maus markieren und durch Klick in den Warenkorb legen.
Keine Artikelinformationen verfügbar!

Ersatzteilliste Getriebe

Position Bezeichnung Menge Preis
1 Gehäuseplatte APZ 15 mm 1 51,67 €
2 Öldichtung 15 x 24 x 7 3 6,50 €
3 O-Ring 88 x 2 1 4,49 €
4 Innensechskantschraube M8 x 25 4 1,30 €
5 Plungerfeder 3 4,95 €
6 Federdruckscheibe 3 2,00 €
7 Plunger 15 mm mit Sprengring 3 32,99 €
8 Sprengring 1,6 x 13,2 3 1,00 €
9 Axial-Rillenkugellager 1 19,99 €
10 Taumelscheibe 8,6° 1 21,96 €
12 Ölablassschraube 1 7,81 €
13 O-Ring 14 x 2 2 0,64 €
14 Ölmesstab 1 4,45 €
Teile in der Zeichnung mit Maus markieren und durch Klick in den Warenkorb legen.
Keine Artikelinformationen verfügbar!

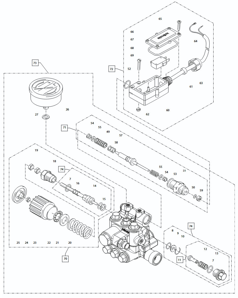
Ersatzteilliste Unloader und Druckschalter

Position Bezeichnung Menge Preis
7 O-Ring 12 x 2 2 0,74 €
8 O-Ring 11 x 1,5 1 2,00 €
9 Edelstahlsitz 1 3,19 €
10 Sicherungsring 1 0,95 €
11 Anlaufentlastungsventil 1 15,99 €
12 Edelstahlfeder 1 0,54 €
13 Verschlussschraube 1 4,59 €
14 Steuerkolben 6 mm mit Dichtungen 1 16,40 €
15 Parbaks für Kolben 14 mm 1 3,89 €
16 Parbaks für Spindel 6 mm 1 4,05 €
18 Kolbenführung 6 mm 1 7,27 €
19 Mutter M6 2 0,54 €
20 Feder grau 1 4,87 €
21 Federdruckscheibe 1 2,78 €
22 Kugellager 1 3,55 €
23 Handrad M6 1 5,45 €
24 Mutter M6 mit SW 8 1 1,00 €
25 Kappe für Handrad 1 1,39 €
26 Manometer 1 38,99 €
27 Aluminium- Dichtring 3 0,32 €
49 Druckfeder 1 x 8,6 x 30 1 3,43 €
50 O-Ring 3,3 x 2,4 1 2,77 €
51 Führungsteil Steuerstößel 1 12,50 €
52 O-Ring 13 x 2,6 1 0,64 €
53 O-Ring 14 x 2 1 0,64 €
54 Parbaks 4 mm 2 2,59 €
55 Stützscheibe 2 0,64 €
57 Steuerstößel lang 1 13,65 €
58 Parbaks 10 mm 1 4,27 €
59 Stopfen M10x1 (durchgebohrt) 1 3,20 €
60 Gehäuse Elektroschalter 1 7,06 €
61 Gummimanschette 1 1,39 €
62 Sechskant-Mutter M4 2 0,54 €
63 Überwurfmutter PG 11 1 0,54 €
64 Kabel 2 x 1,5 mm² 1 7,27 €
65 Blechschraube 2,9 x 19 6 0,54 €
66 Deckel Elektroschalter 1 4,71 €
67 O-Ring 44 x 2,5 1 3,15 €
68 Mikroschalter 1 7,90 €
69 Zylinderschraube M 4 x 22 2 0,54 €
70 Steuerkolben kpl. m. Handrad 1 45,60 €
71 Rep.-Satz Druckschaltermechanik 1 32,99 €
72 Druckschalter kpl. ohne Mechanik 1 27,50 €
73 Ventilgehäuse kpl. (K1154 TST) 1 292,17 €
74 Rep.-Satz Unloaderventil 1 40,99 €
Teile in der Zeichnung mit Maus markieren und durch Klick in den Warenkorb legen.
Keine Artikelinformationen verfügbar!

Ersatzteilliste Ventilgehäuse

Position Bezeichnung Menge Preis
1 Ventilgehäuse 1 134,58 €
2 Dichtstopfen M8 x 1 3 2,36 €
3 O-Ring 11 x 1,5 1 2,00 €
4 Edelstahlsitz 8,2 1 3,96 €
5 Sicherungring 1 0,95 €
6 Ausgangsteil 1 12,20 €
7 Edelstahlkugel 10,0 mm 1 2,30 €
8 Rückschlagfeder 1 1,29 €
9 0-Ring 18x 2 1 1,05 €
10 Dichtstopfen M 10 x 1 1 2,25 €
11 O-Ring 12 x 2 12 0,74 €
12 Ventil rot 16 x 8 x 18 6 4,49 €
13 Ventilstopfen M18 x 1,5 5 4,07 €
14 Ventilstopfen mit R1/4" IG 1 4,89 €
15 Innensechskantschraube M8 x 45 2 2,36 €
16 Innensechskantschraube M8 x 25 2 1,30 €
17 Aluminium - Dichtring 1 0,32 €
18 Verschraubung Ermeto R1/4" AG x Ermeto 8 1 6,29 €
25 Gewebemanschette 15 x 24 x 5 3 4,29 €
26 Backring 15 x 24 x 2 3 2,78 €
27 O-Ring 24 x 2 3 1,07 €
28 Manschette 15 x 24 x 5 3 5,10 €
29 Stützring Rot 3 0,96 €
30 Distanzring 15 mm 3 7,16 €
31 Leckagering 15 mm 3 8,88 €
35 Reparatursatz Manschetten 1 57,23 €
36 Reparatursatz Ventile rot 1 29,10 €
46 Wasserfilter 1 1,81 €
49 Steckkupplung 1 4,49 €
Teile in der Zeichnung mit Maus markieren und durch Klick in den Warenkorb legen.
Keine Artikelinformationen verfügbar!

Ersatzteilliste Schlauchtrommel

Position Bezeichnung Menge Preis
1 Seitenschale 2 20,99 €
2 Trommelteil 1 14,88 €
3 Knickschutz 1 12,50 €
4 Kunststoffschraube 5,0 x 20 5 0,64 €
5 Antriebswelle 1 12,09 €
7 Lagerklotz links 1 7,29 €
8 Schraube 6,0 x 40 4 0,96 €
9 Lagerklotz rechts 1 7,29 €
10 Verbindungsrohr 1 12,53 €
11 Wasser-Eingangsteil 1 20,99 €
12 O-Ring 6 x 0,8 2 0,62 €
13 Handkurbel 1 17,50 €
14 Schraube M5 x 14 1 0,64 €
15 Scheibe 5,3 1 0,54 €
16 Wellensicherungsring 22 mm 2 1,07 €
17 O-Ring 9,3 x 2,4 1 1,14 €
18 Dichtsatz 1 13,70 €
25 Hochdruckschlauch 15m NW6 1 103,95 €
Teile in der Zeichnung mit Maus markieren und durch Klick in den Warenkorb legen.
Keine Artikelinformationen verfügbar!

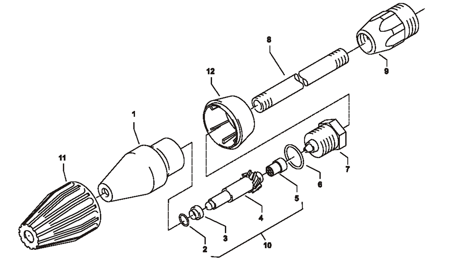
Ersatzteilliste Pistole und Lanzen

Position Bezeichnung Menge Preis
1 Pistolenschale rechts, Links 1 10,04 €
2 Abzugshebel kpl. 1 6,66 €
3 Zylinderstift 3x21 1 2,36 €
4 Rep. Satz Starlet 4 1 31,06 €
5 Kunststoffschraube 3,5 x 14 15 0,54 €
6 O-Ring 9,3 x 2,4 grün 1 0,50 €
7 O-Ring 9,19 x 2,62 1 1,05 €
10 Steckkupplung D12 x M21x1,5 AG 1 24,26 €
19 Stechnippel D12 1 12,99 €
20 Rohr 500 mm, bds. M12 x 1 1 16,50 €
23 Düsenschutz 1 4,60 €
25 Flachstrahldüse 20042 1 8,34 €
30 Starlet 4 Stecksystem D12 1 80,99 €
31 Lanze mit Flachstrahldüse M20042 D12 1 35,95 €
Teile in der Zeichnung mit Maus markieren und durch Klick in den Warenkorb legen.
Keine Artikelinformationen verfügbar!

Ersatzteilliste Schmutzkiller

Position Bezeichnung Menge Preis
1 Spühkörper 1 52,96 €
2 O-Ring 6 1 1,39 €
3 Düsensitz 1 11,75 €
4 Düse 042 1 37,65 €
5 Stabilisator 1 1,50 €
6 O-Ring 1 1,40 €
7 Sprühstopfen 1 12,41 €
8 Rohr 400 mm 2x M 12 x 1 1 18,29 €
9 ST 30-Nippel M 22 x 1,5 1 4,50 €
10 Rep.Satz Schmutzkiller 042 1 45,99 €
11 Kappe vorn für Schmutzkiller 1 8,02 €
12 Kappe hinten für Schmutzkiller 042 1 4,50 €
100 Schmutzkiller 042 kpl. Mit Lanze 1 69,00 €

Passendes Zubehör\Ersatzteile

Doppellanze 660 mm mit
Dreh-Handgriff
Teleskoplanze 2,4-5,4m schwarz
E: M22x1,5 AG A: M22x1,5 IG
Lanze 500mm mit Vario-Jet-Duo
Düsengröße 042, mit Stecknippel D12
Lanze mit Pendeldüse 500mm
Düsengröße 042
© 1998 - 2026 Hytec-Hydraulik OHG. Alle Rechte vorbehalten. Alle Preise beinhalten, wenn nicht anders beschrieben, die gesetzliche MwSt. zzgl. Versandkosten.
Shop powered by Hyreka GmbH.
nach oben
Sandbox aktiv, PHP=25ms, PHP Info, Session anzeigen, Session-Cookie löschen, zur LIVE-Version