Produkte
Info
0
Warenkorb
Mein Konto

Stromventil, doppelwirkend G1/2-038

Stromventil
Stromventil
Stromventil
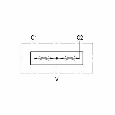
Stromventil Schaltzeichen
257,30  €
Preis inkl. 19,00% Mwst.
Auf Lager - Kostenloser Versand innerhalb Deutschlands
Artikel-Nr.: OC-STVD-G1/2-038
  • Stromventil
  • Doppeltwirkend
  • G3/8
  • G1/2
  • 210bar max betriebsdruck

Stromventil, doppeltwirkend G1/2-038

Dieses Stromventil teilt den eingehenden Ölstrom (V) in zwei gleich große abgehende Teilströme (C1 und C2) auf, unabhängig vom Lastdruck.
Bei Änderung der Durchflusssrichtung des Ölstroms werden die Teilströme (C1 und C2) wieder im gleichen Verhältnis addiert.

Anschluss V: G1/2

Anschluss C1 und C2: G3/8

Max. Betriebsdruck: 210 bar

Max. Eingangsmenge: 25 bis 38 l/min

Hersteller: Hytec-Hydraulik OHG, Hersteller-Nr.: OC-STVD-G1/2-038, EAN: 4051354114123

Datenblätter

Kundenrezensionen

Durchschnittliche
Kundenbewertung
© 1998 - 2026 Hytec-Hydraulik OHG. Alle Rechte vorbehalten. Alle Preise beinhalten, wenn nicht anders beschrieben, die gesetzliche MwSt. zzgl. Versandkosten.
Shop powered by Hyreka GmbH.
nach oben
Sandbox aktiv, PHP=6ms, PHP Info, Session anzeigen, Session-Cookie löschen, zur LIVE-Version