Produkte
Info
0
Warenkorb
Mein Konto

Sitzventil, Schieberventil und Hub-Senkventil

Unsere Sitzventile sind in vier Typen zur Unterscheidung der Schaltfunktion eingeteilt. Für Ventile vom Typ AC ist der Durchfluss von A nach B bei unbestromter Magnetspule gesperrt (stromlos geschlossen). Ventile vom Typ AO sind stromlos offen und das Pendant zu Typ AC. Für Ventile vom Typ NC ist der Durchfluss von A nach B und von B nach A bei unbestromter Magnetspule gesperrt. Ventile vom Typ NO sind stromlos offen und das Pendant zu Typ NC.

Ventile mit Nennweite 6 gestatten einen Durchfluss von maximal 40 l/min und besitzen Anschlussgewinde G3/8". Ventile der Nennweite 10 gestatten einen maximalen Durchfluss von 70 l/min und besitzen Anschlussgewinde G1/2".

2/2-Wege, Nenngröße 6 (Typ AC)
2/2-Wege, Nenngröße 6 (Typ AO)
2/2-Wege, Nenngröße 6 (Typ NC)
2/2-Wege, Nenngröße 6 (Typ NO)
2/2-Wege, Nenngröße 10 (Typ AC)
2/2-Wege, Nenngröße 10 (Typ AO)
2/2-Wege, Nenngröße 10 (Typ NC)
2/2-Wege, Nenngröße 10 (Typ NO)
3/2-Wege, Schieberventil, Nenngröße 4
Hub-Senkventil
2/2-Wege-Magnetsitzventil
2/2-Wege-Magnetsitzventil
2/2-Wege-Magnetsitzventil
Ersatz-Magnetspule Typ D36
Ersatz-Magnetspule Typ S8H
Ersatz-Magnetspule Typ S3
  • Pfeil links
  • Pfeil rechts
2/2-Wege-Sitzventil, Nenngröße 6 (Typ AC)
2/2-Wege-Sitzventil, Nenngröße 6 (Typ AC)

2/2-Wege-Sitzventil, Nenngröße 6 (Typ AC)

Vorgesteuertes 2/2-Wege-Sitzventil (Magnetventil) im Aluminiumgehäuse, mit Notablass.
Leckagefreie Sitzausführung, geringe Durchflusswiderstände, kurze Schaltzeit.

Schaltfunktion:

Stromlos A -> B gesperrt, bestromt offen.

Kenngrößen:

Max. Durchfluss: 40 l/min
Anschlussgewinde: G3/8"
Max. Arbeitsdruck: 250 bar

Lieferumfang:

2/2-Wege-Sitzventil, Magnetspule, Magnetstecker
Schaltplan 2/2-Wege-Sitzventil
vergrößern Schaltplan 2/2-Wege-Sitzventil
Seitenansicht 2/2-Wege-Sitzventil, Nenngröße 6 (Typ AC)
vergrößern Seitenansicht 2/2-Wege-Sitzventil, Nenngröße 6 (Typ AC)
Technische Daten 12 V, 24 V
Technische Daten 12 V, 24 V
Technische Daten 230 V
Technische Daten 230 V
Menge
Spannung
Filter
Hinweis
Schaltfunktion
Filter
Durchflussrichtung
Filter
Artikel-Nr.
Preis
 
12V DCstromlos gesperrteinseitig absperrendVE-2/2-G3/8-AC-12V164,26 €Mehr Informationen
24V DCstromlos gesperrteinseitig absperrendVE-2/2-G3/8-AC-24V164,26 €Mehr Informationen
230V ACstromlos gesperrteinseitig absperrendVE-2/2-G3/8-AC-230V180,58 €Mehr Informationen
Bitte warten... OK
2/2-Wege-Sitzventil, Nenngröße 6 (Typ AO)
2/2-Wege-Sitzventil, Nenngröße 6 (Typ AO)

2/2-Wege-Sitzventil, Nenngröße 6 (Typ AO)

Vorgesteuertes 2/2-Wege-Sitzventil (Magnetventil) im Aluminiumgehäuse, mit Notablass.
Leckagefreie Sitzausführung, geringe Durchflusswiderstände, kurze Schaltzeit.

Schaltfunktion:

Stromlos offen, bestromt A -> B gesperrt.

Kenngrößen:

Max. Durchfluss: 40 l/min
Anschlussgewinde: G3/8"
Max. Arbeitsdruck: 250 bar

Lieferumfang:

2/2-Wege-Sitzventil, Magnetspule, Magnetstecker
Schaltplan 2/2-Wege-Sitzventil
vergrößern Schaltplan 2/2-Wege-Sitzventil
Seitenansicht 2/2-Wege-Sitzventil, Nenngröße 6 (Typ AO)
vergrößern Seitenansicht 2/2-Wege-Sitzventil, Nenngröße 6 (Typ AO)
Technische Daten 12 V, 24 V
Technische Daten 12 V, 24 V
Technische Daten 230 V
Technische Daten 230 V
Menge
Spannung
Filter
Hinweis
Schaltfunktion
Filter
Durchflussrichtung
Filter
Artikel-Nr.
Preis
 
12V DCstromlos offeneinseitig absperrendVE-2/2-G3/8-AO-12V175,08 €Mehr Informationen
24V DCstromlos offeneinseitig absperrendVE-2/2-G3/8-AO-24V175,08 €Mehr Informationen
230V ACstromlos offeneinseitig absperrendVE-2/2-G3/8-AO-230V191,86 €Mehr Informationen
Bitte warten... OK
2/2-Wege-Sitzventil, Nenngröße 6 (Typ NC)
2/2-Wege-Sitzventil, Nenngröße 6 (Typ NC)

2/2-Wege-Sitzventil, Nenngröße 6 (Typ NC)

Vorgesteuertes 2/2-Wege-Sitzventil (Magnetventil) im Aluminiumgehäuse, mit Notablass.
Leckagefreie Sitzausführung, geringe Durchflusswiderstände, kurze Schaltzeit.

Schaltfunktion:

Stromlos gesperrt, bestromt offen.

Kenngrößen:

Max. Durchfluss: 40 l/min
Anschlussgewinde: G3/8"
Max. Arbeitsdruck: 250 bar

Lieferumfang:

2/2-Wege-Sitzventil, Magnetspule, Magnetstecker
Schaltplan 2/2-Wege-Sitzventil
vergrößern Schaltplan 2/2-Wege-Sitzventil
Seitenansicht 2/2-Wege-Sitzventil, Nenngröße 6 (Typ NC)
vergrößern Seitenansicht 2/2-Wege-Sitzventil, Nenngröße 6 (Typ NC)
Technische Daten 12 V, 24 V
Technische Daten 12 V, 24 V
Technische Daten 230 V
Technische Daten 230 V
Menge
Spannung
Filter
Hinweis
Schaltfunktion
Filter
Durchflussrichtung
Filter
Artikel-Nr.
Preis
 
12V DCstromlos gesperrtbeidseitig absperrendVE-2/2-G3/8-NC-12V200,83 €Mehr Informationen
24V DCstromlos gesperrtbeidseitig absperrendVE-2/2-G3/8-NC-24V200,83 €Mehr Informationen
230V ACstromlos gesperrtbeidseitig absperrendVE-2/2-G3/8-NC-230V217,14 €Mehr Informationen
Bitte warten... OK
2/2-Wege-Sitzventil, Nenngröße 6 (Typ NO)
2/2-Wege-Sitzventil, Nenngröße 6 (Typ NO)

2/2-Wege-Sitzventil, Nenngröße 6 (Typ NO)

Vorgesteuertes 2/2-Wege-Sitzventil (Magnetventil) im Aluminiumgehäuse, mit Notablass.
Leckagefreie Sitzausführung, geringe Durchflusswiderstände, kurze Schaltzeit.

Schaltfunktion:

Stromlos offen, bestromt gesperrt.

Kenngrößen:

Max. Durchfluss: 40 l/min
Anschlussgewinde: G3/8"
Max. Arbeitsdruck: 250 bar

Lieferumfang:

2/2-Wege-Sitzventil, Magnetspule, Magnetstecker
Schaltplan 2/2-Wege-Sitzventil
vergrößern Schaltplan 2/2-Wege-Sitzventil
Seitenansicht 2/2-Wege-Sitzventil, Nenngröße 6 (Typ NO)
vergrößern Seitenansicht 2/2-Wege-Sitzventil, Nenngröße 6 (Typ NO)
Technische Daten 12 V, 24 V
Technische Daten 12 V, 24 V
Technische Daten 230 V
Technische Daten 230 V
Menge
Spannung
Filter
Hinweis
Schaltfunktion
Filter
Durchflussrichtung
Filter
Artikel-Nr.
Preis
 
12V DCstromlos offenbeidseitig absperrendVE-2/2-G3/8-NO-12V212,11 €Mehr Informationen
24V DCstromlos offenbeidseitig absperrendVE-2/2-G3/8-NO-24V212,11 €Mehr Informationen
230V ACstromlos offenbeidseitig absperrendVE-2/2-G3/8-NO-230V228,44 €Mehr Informationen
Bitte warten... OK
2/2-Wege-Sitzventil, Nenngröße 10 (Typ AC)
2/2-Wege-Sitzventil, Nenngröße 10 (Typ AC)

2/2-Wege-Sitzventil, Nenngröße 10 (Typ AC)

Vorgesteuertes 2/2-Wege-Sitzventil (Magnetventil) im Aluminiumgehäuse, mit Notablass.
Leckagefreie Sitzausführung, geringe Durchflusswiderstände, kurze Schaltzeit.

Schaltfunktion:

Stromlos A -> B gesperrt, bestromt offen.

Kenngrößen:

Max. Durchfluss: 70 l/min
Anschlussgewinde: G1/2"
Max. Arbeitsdruck: 250 bar

Lieferumfang:

2/2-Wege-Sitzventil, Magnetspule, Magnetstecker
Schaltplan 2/2-Wege-Sitzventil
vergrößern Schaltplan 2/2-Wege-Sitzventil
Seitenansicht 2/2-Wege-Sitzventil, Nenngröße 10 (Typ AC)
vergrößern Seitenansicht 2/2-Wege-Sitzventil, Nenngröße 10 (Typ AC)
Technische Daten 12 V, 24 V
Technische Daten 12 V, 24 V
Technische Daten 230 V
Technische Daten 230 V
Menge
Spannung
Filter
Hinweis
Schaltfunktion
Filter
Durchflussrichtung
Filter
Artikel-Nr.
Preis
 
12V DCstromlos gesperrteinseitig absperrendVE-2/2-G1/2-AC-12V195,34 €Mehr Informationen
24V DCstromlos gesperrteinseitig absperrendVE-2/2-G1/2-AC-24V195,34 €Mehr Informationen
230V ACstromlos gesperrteinseitig absperrendVE-2/2-G1/2-AC-230V211,66 €Mehr Informationen
Bitte warten... OK
2/2-Wege-Sitzventil, Nenngröße 10 (Typ AO)
2/2-Wege-Sitzventil, Nenngröße 10 (Typ AO)

2/2-Wege-Sitzventil, Nenngröße 10 (Typ AO)

Vorgesteuertes 2/2-Wege-Sitzventil (Magnetventil) im Aluminiumgehäuse, mit Notablass.
Leckagefreie Sitzausführung, geringe Durchflusswiderstände, kurze Schaltzeit.

Schaltfunktion:

Stromlos offen, bestromt A -> B gesperrt.

Kenngrößen:

Max. Durchfluss: 70 l/min
Anschlussgewinde: G1/2"
Max. Arbeitsdruck: 250 bar

Lieferumfang:

2/2-Wege-Sitzventil, Magnetspule, Magnetstecker
Schaltplan 2/2-Wege-Sitzventil
vergrößern Schaltplan 2/2-Wege-Sitzventil
Seitenansicht 2/2-Wege-Sitzventil, Nenngröße 10 (Typ AO)
vergrößern Seitenansicht 2/2-Wege-Sitzventil, Nenngröße 10 (Typ AO)
Technische Daten 12 V, 24 V
Technische Daten 12 V, 24 V
Technische Daten 230 V
Technische Daten 230 V
Menge
Spannung
Filter
Hinweis
Schaltfunktion
Filter
Durchflussrichtung
Filter
Artikel-Nr.
Preis
 
12V DCstromlos offeneinseitig absperrendVE-2/2-G1/2-AO-12V206,55 €Mehr Informationen
24V DCstromlos offeneinseitig absperrendVE-2/2-G1/2-AO-24V206,55 €Mehr Informationen
230V ACstromlos offeneinseitig absperrendVE-2/2-G1/2-AO-230V222,87 €Mehr Informationen
Bitte warten... OK
2/2-Wege-Sitzventil, Nenngröße 10 (Typ NC)
2/2-Wege-Sitzventil, Nenngröße 10 (Typ NC)

2/2-Wege-Sitzventil, Nenngröße 10 (Typ NC)

Vorgesteuertes 2/2-Wege-Sitzventil (Magnetventil) im Aluminiumgehäuse, mit Notablass.
Leckagefreie Sitzausführung, geringe Durchflusswiderstände, kurze Schaltzeit.

Schaltfunktion:

Stromlos gesperrt, bestromt offen.

Kenngrößen:

Max. Durchfluss: 70 l/min
Anschlussgewinde: G1/2"
Max. Arbeitsdruck: 250 bar

Lieferumfang:

2/2-Wege-Sitzventil, Magnetspule, Magnetstecker
Schaltplan 2/2-Wege-Sitzventil
vergrößern Schaltplan 2/2-Wege-Sitzventil
Seitenansicht 2/2-Wege-Sitzventil, Nenngröße 10 (Typ NC)
vergrößern Seitenansicht 2/2-Wege-Sitzventil, Nenngröße 10 (Typ NC)
Technische Daten 12 V, 24 V
Technische Daten 12 V, 24 V
Technische Daten 230 V
Technische Daten 230 V
Menge
Spannung
Filter
Hinweis
Schaltfunktion
Filter
Durchflussrichtung
Filter
Artikel-Nr.
Preis
 
12V DCstromlos gesperrtbeidseitig absperrendVE-2/2-G1/2-NC-12V231,48 €Mehr Informationen
24V DCstromlos gesperrtbeidseitig absperrendVE-2/2-G1/2-NC-24V231,48 €Mehr Informationen
230V ACstromlos gesperrtbeidseitig absperrendVE-2/2-G1/2-NC-230V247,79 €Mehr Informationen
Bitte warten... OK
2/2-Wege-Sitzventil, Nenngröße 10 (Typ NO)
2/2-Wege-Sitzventil, Nenngröße 10 (Typ NO)

2/2-Wege-Sitzventil, Nenngröße 10 (Typ NO)

Vorgesteuertes 2/2-Wege-Sitzventil (Magnetventil) im Aluminiumgehäuse, mit Notablass.
Leckagefreie Sitzausführung, geringe Durchflusswiderstände, kurze Schaltzeit.

Schaltfunktion:

Stromlos offen, bestromt gesperrt.

Kenngrößen:

Max. Durchfluss: 70 l/min
Anschlussgewinde: G1/2"
Max. Arbeitsdruck: 250 bar

Lieferumfang:

2/2-Wege-Sitzventil, Magnetspule, Magnetstecker
Schaltplan 2/2-Wege-Sitzventil
vergrößern Schaltplan 2/2-Wege-Sitzventil
Seitenansicht 2/2-Wege-Sitzventil, Nenngröße 10 (Typ NO)
vergrößern Seitenansicht 2/2-Wege-Sitzventil, Nenngröße 10 (Typ NO)
Technische Daten 12 V, 24 V
Technische Daten 12 V, 24 V
Technische Daten 230 V
Technische Daten 230 V
Menge
Spannung
Filter
Hinweis
Schaltfunktion
Filter
Durchflussrichtung
Filter
Artikel-Nr.
Preis
 
12V DCstromlos offenbeidseitig absperrendVE-2/2-G1/2-NO-12V242,39 €Mehr Informationen
24V DCstromlos offenbeidseitig absperrendVE-2/2-G1/2-NO-24V242,39 €Mehr Informationen
230V ACstromlos offenbeidseitig absperrendVE-2/2-G1/2-NO-230V258,70 €Mehr Informationen
Bitte warten... OK
3/2-Wege-Schieberventil, Nenngröße 4
3/2-Wege-Schieberventil, Nenngröße 4

3/2-Wege-Schieberventil, Nenngröße 4

Direkt gesteuertes 3/2-Wege-Schieberventil (Magnetventil) im Aluminiumgehäuse.
Leckage: max. 40 cm³/min bei 210 bar.

Schaltfunktion:

Stromlos 2 <- -> 3 offen. Bestromt 2 <- -> 1 offen.

Anwendung:

Dieses Ventil eignet sich zur Steuerung von einfach wirkenden Zylindern.

Kenngrößen:

Max. Durchfluss: 10 l/min
Anschlussgewinde: G3/8"
Max. Arbeitsdruck: 210 bar

Lieferumfang:

3/2-Wege-Schieberventil, Magnetspule, Magnetstecker
Seitenansicht 3/2-Wege-Schieberventil, Nenngröße 4
vergrößern Seitenansicht 3/2-Wege-Schieberventil, Nenngröße 4
Schaltplan VE-3/2-G3/8
vergrößern Schaltplan VE-3/2-G3/8
Technische Daten 12 V, 24 V
Technische Daten 12 V, 24 V
Technische Daten 230 V
Technische Daten 230 V
Menge
Spannung
Filter
Hinweis
Artikel-Nr.
Preis
 
12V DCVE-3/2-G3/8-12V192,90 €Mehr Informationen
24V DCVE-3/2-G3/8-24V192,90 €Mehr Informationen
230V ACVE-3/2-G3/8-230V209,21 €Mehr Informationen
Bitte warten... OK
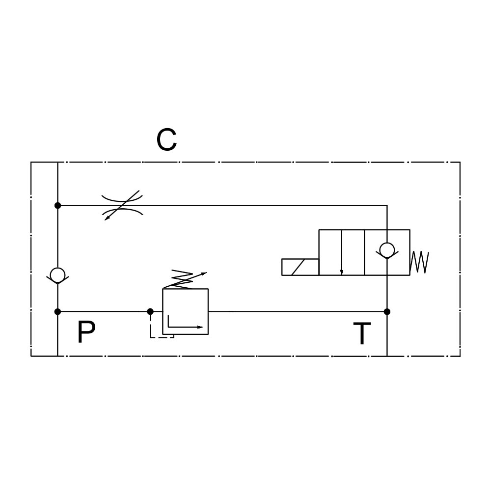
Hub-Senkventil
Hub-Senkventil

Hub-Senkventil

Typische Anwendungsfälle sind hydraulische Hebebühnen und Hubtische mit einfach wirkenden Zylindern und elektrisch betriebener Pumpe.

Funktionsbeschreibung:

Durch Einschalten der Pumpe fährt der Zylinder aus. Wird die Pumpe abgeschaltet, so wird der Zylinder leckagefrei in seiner Position gehalten. Wird das Magnetventil bestromt, so senkt sich der Zylinder durch Eigengewicht ab, die Senkgeschwindigkeit kann über die integrierte Senkdrossel eingestellt werden. Das Druckbegrenzungsventil schützt Pumpe und Verbraucher vor Überlastung.

Kenngrößen:

Max. Durchfluss: 25 l/min
Anschlussgewinde: G3/8"
Max. Arbeitsdruck: 250 bar
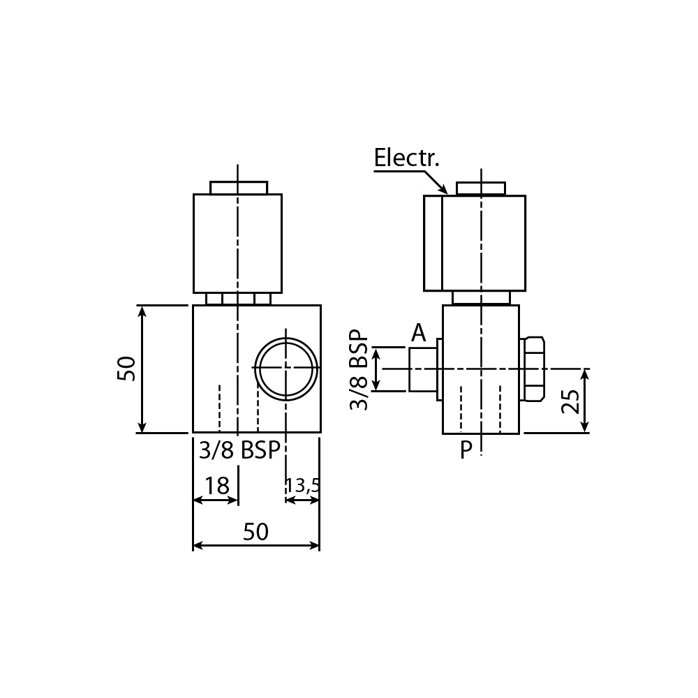
Seitenansicht Hub-Senkventil
vergrößern Seitenansicht Hub-Senkventil
Anschlüsse Hub-Senkventil
vergrößern Anschlüsse Hub-Senkventil
Schaltplan Hub-Senkventil
vergrößern Schaltplan Hub-Senkventil
Technische Daten 12 V, 24 V
Technische Daten 12 V, 24 V
Technische Daten 230 V
Technische Daten 230 V
Menge
Spannung
Filter
Hinweis
Artikel-Nr.
Preis
 
12V DCOC-HSV-G3/8-NC-12V424,52 €Mehr Informationen
24V DCOC-HSV-G3/8-NC-24V424,52 €Mehr Informationen
230V ACOC-HSV-G3/8-NC-230V439,90 €Mehr Informationen
Bitte warten... OK
2/2-Wege-Magnetsitzventil
2/2-Wege-Magnetsitzventil

2/2-Wege-Magnetsitzventil

Kenngrößen:

stromlos geschlossen
Max. Durchfluss: 18 l/min
Anschlussgewinde: G3/8"

Hohlschraube gehört zum Lieferumfang
Rückansicht 2/2-Wege-Magnetsitzventil
vergrößern Rückansicht 2/2-Wege-Magnetsitzventil
mit Hirschmannstecker 2/2-Wege-Magnetsitzventil
vergrößern mit Hirschmannstecker 2/2-Wege-Magnetsitzventil
mit Hirschmannstecker 2/2-Wege-Magnetsitzventil Rückansicht
vergrößern mit Hirschmannstecker 2/2-Wege-Magnetsitzventil Rückansicht
Schaltplan 2/2-Wege-Magnetsitzventil
vergrößern Schaltplan 2/2-Wege-Magnetsitzventil
Maße 2/2-Wege-Magnetsitzventil
vergrößern Maße 2/2-Wege-Magnetsitzventil
Menge
Spannung
Filter
Anschluss
Filter
Artikel-Nr.
Preis
 
12V DC2-poliger SPX-SteckerCH-ES38-12V86,94 €
24V DC2-poliger SPX-SteckerCH-ES38-24V95,41 €
12V DCHirschmannsteckerCH-ES38-12V-HI95,41 €
24V DCHirschmannsteckerCH-ES38-24V-HI95,41 €
230V ACHirschmannsteckerCH-ES38-230V-HI95,41 €
Bitte warten... OK
Ersatz-Magnetspule Typ D36
Ersatz-Magnetspule Typ D36

Ersatz-Magnetspule Typ D36


- aktuelle Version

Die Ersatzspule ist passend zu unseren Sitzventilen, Hub-Senkventil und Schieberventil. Für die Anwendung mit 230V AC wird die 205V Gleichstromspule mit einem vorgeschalteten Gleichrichter verwendet.
Menge
Spannung
Filter
Vergleichsnummer
Filter
Artikel-Nr.
Preis
 
12V DCR901393412, OD02360130OB00OC-MS012-D3625,88 €Mehr Informationen
24V DCR901393577, OD02360130OC00OC-MS024-D3625,88 €Mehr Informationen
48V DCR901394117, OD02360130OD00OC-MS048-D3637,78 €
110V DCR901394229, OD02360130OU00OC-MS110-D3637,78 €
205V DCR901394231, OD02360130AH00OC-MS205-D3637,78 €Mehr Informationen
Bitte warten... OK
Ersatz-Magnetspule Typ S8H
Ersatz-Magnetspule Typ S8H

Ersatz-Magnetspule Typ S8H

- Einsatz von 2003 bis ca. 2020

- Leistung: 20 W
Datenblatt Magnetspule
Datenblatt Magnetspule
Menge
Spannung
Filter
Vergleichsnummer
Filter
Artikel-Nr.
Preis
 
12V DCR901090821, OD02170130OB00OC-MS012-S8H35,05 €Mehr Informationen
24V DCR901083065, OD02170130OC00OC-MS024-S8H35,05 €Mehr Informationen
205V DCR934004894, OD02170130OZ00OC-MS205-S8H38,75 €Mehr Informationen
Bitte warten... OK
Ersatz-Magnetspule Typ S3
Ersatz-Magnetspule Typ S3

Ersatz-Magnetspule Typ S3


- Einsatz bis ca. 2003
Menge
Spannung
Filter
Vergleichsnummer
Filter
Artikel-Nr.
Preis
 
12V DCOD02030130OB00OC-MS012-ALT37,85 €Mehr Informationen
24V DCOD02030130OC00OC-MS024-ALT37,85 €Mehr Informationen
Bitte warten... OK
© 1998 - 2026 Hytec-Hydraulik OHG. Alle Rechte vorbehalten. Alle Preise beinhalten, wenn nicht anders beschrieben, die gesetzliche MwSt. zzgl. Versandkosten.
Shop powered by Hyreka GmbH.
nach oben
Sandbox aktiv, PHP=36ms, PHP Info, Session anzeigen, Session-Cookie löschen, zur LIVE-Version